
外径
Φ35
MGI3512P-20AM
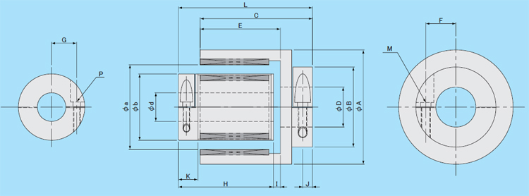
外径(mm) Φ35.0 内径(mm) Φ20.0 質量(g) 約 137g ケースコート アルマイト・ニッケルメッキ 磁極数 12極 防水性能 なし(IP60) 使用温度環境 -10〜60℃ ギャップ(mm) 2.5mm トルク(kgf・cm)※1 9.0〜9.5 kgf・cm
※1 ギャップ:マグネットカップリングのディスク同士の隙間です。
※2 トルク:各キャップ時の最大トルクです。トルクを上回るとスリップします。上記はトルクの目安値で、トルク値を
保証する物ではありません。
※3 スラスト:カップリングのディスク同士が引き合う力です。※本サイト・カタログに記載した図およびイラストは、一部を省略したり抽象化して表現している場合があります。本サイト・カタログに記載した仕様・その他の内容について、技術改善の為予告なく変更することがあります。記載した測定データはマグネットカップリング単体での動作試験結果です。本製品に関するお問い合わせおよびサポート、カタログの記載については、国内限定とさせていただきます。
|
|
|
|
|
|